Diplomarbeiten aus dem
MAHLE Kühler-Spannvorrichtung
Reitmeier Fabian und Grömer Michael
Aufgabenstellung
Das Montieren von diversen Kühlermodellen erfolgt in der Firma MAHLE Filtersystem Austria GmbH zu großen Teilen per Hand und ist deshalb mit etlichen Arbeitsschritten und daraus folgenden Kosten verbunden. Ziel der Diplomarbeit ist das Erstellen eines verbesserten Montagesystems für diverse Kühlermodelle. Die Dimensionierung aller relevanten Komponenten hinsichtlich Festigkeit, unter Berücksichtigung von allen fertigungstechnischen Einflussgrößen, ist zu gewährleisten.
Realisierung
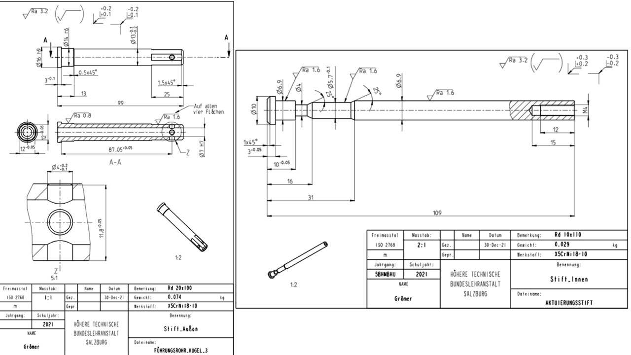
Nach einer detaillierten Analyse des gesamten Montageprozesses wurden die besten Konzepte zur Optimierung ausgewählt. Alle relevanten Berechnungen wurden im Programm PTC Mathcad Prime 5.0 erstellt. Die Konzepte wurden daraufhin in Creo 6.0 konstruiert. Am Ende der Arbeit wurden Festigkeitsanalysen erstellt.
Ergebnisse
Konzept A Reitmeier Fabian:
Bereitstellung aller notwendigen Unterlagen (Konstruktion, Festigkeitsberechnung und Wirtschaftlichkeitsbetrachtung) für eine mögliche Fertigung und Inbetriebnahme.
KONZEPT B Grömer Michael:
Bereitstellung aller notwendigen Unterlagen (Konstruktion, Festigkeitsberechnung und Wirtschaftlichkeitsbetrachtung) für eine mögliche Fertigung und Inbetriebnahme.